三、胃癌《病理学》

三、胃癌

(carcinoma of stomach)是消化道最常见的恶性肿之一。在我国不少地区的恶性肿死亡统计中,胃居第一或第二位。胃好发年龄为40~60岁。男多于女,男女之比约为3:1或2:1。好发部位为胃窦部,特别是小弯侧(约占75%),胃体部则少见。

根据胃的病理变化进展程度分为早期胃与进展期(晚期)胃两大类。

(一)早期胃

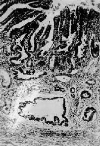
组织浸润仅限于粘膜层及粘膜下层者均属早期胃(early gastric carcinoma)。所以判断早期胃的标准不是其面积大小而是其深度。故早期胃也称为粘膜内或表浅扩散性(图10-10)。早期胃经手术切除治疗,预后颇为良好,术后5年存活率达54.8%~72.8%。近年由于纤维胃镜活检和脱落细胞学检查方法的推广应用,早期胃的发现率有了明显提高(图10-11)。

早期胃<a href=癌"/>

图10-10 早期胃

变局限于胃粘膜内,未超出粘膜肌层

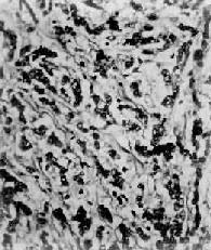
早期胃<a href=癌的脱落细胞"/>

图10-11 早期胃的脱落细胞

(与图10-10同一病例) 细胞较大,形状不一,核大,着色深

早期胃的肉眼形态可分为3种类型(图10-12):

1.隆起型(protruded type,Ⅰ型)肿从胃粘膜表面显著隆起,有时呈息肉状。

2.表浅型(superficial type,Ⅱ型)肿表面较平坦,隆起不显著。此型又可细分为:①表浅隆起型(superficial elevated type,Ⅱa型)(图10-13),②表浅平坦型(superficial flat type,Ⅱb型),③表浅凹陷型(superficial depressed type,Ⅱc型),又名性糜烂。

早期胃<a href=癌各型模式图"/>

图10-12 早期胃各型模式图

m粘膜;mm粘膜肌;sm粘膜下;pm肌层;s浆膜

早期胃<a href=癌(表浅隆起型Ⅱa)"/>

图10-13 早期胃(表浅隆起型Ⅱa)

在小弯侧近幽门处粘膜上有一直径约1cm大小的突出于表面的胃(箭头指处)

3.凹陷型(excavated type,Ⅲ型)有溃疡形成,溃疡可深达肌层。此型最为多见。

组织学分型:以管状腺最多见,其次为乳头状腺,未分化型最少。

(二)进展期胃

组织浸润到粘膜下层以下者均属进展期胃(advanced gastric carcinoma),或称之为中晚期胃组织浸润越深,预后越差,侵至浆膜层的5年存活率较侵至肌层的明显降低。

肉眼形态可分为3型:

1.息肉型或蕈伞型(polypoid or fungating type)组织向粘膜表面生长,呈息肉状或蕈状,突入胃腔内(图10-14)。

息肉型胃<a href=癌"/>

图10-14 息肉型胃

肿块呈息肉状突起于胃腔内

2.溃疡型(ulcerative type) 部分组织坏死脱落,形成溃疡。溃疡一般多呈皿状,有的边缘隆起,如火山口状(图10-15)。

溃疡型胃<a href=癌"/>

图10-15 溃疡型胃

肿块中央溃烂,形成边缘隆起、形状不规则的溃疡

溃疡型胃的溃疡与良性胃消化性溃疡大体形态的鉴别见表10-1。

表10-1 良、恶性溃疡的肉眼形态鉴别

 良性溃疡(溃疡病)恶性溃疡(溃疡型胃
外 形圆形或椭圆形不整形、皿状或火山口状
大 小溃疡直径一般<2cm溃疡直径常>2cm
深 度较深较浅
边 缘整齐、不隆起不整齐、隆起
底 部较平坦凹凸不平,有坏死出血
周围粘膜皱襞向溃疡集中皱襞中断,呈结节状肥厚*

*因粘膜下层有组织生长

3.浸润型(infiltrating type)组织向胃壁内呈局限或弥漫浸润,与周围正常组织无明显边界。当弥漫浸润时致胃壁增厚、变硬,胃腔缩小,粘膜皱襞大部消失。典型的弥漫浸润型胃其胃状似皮革制成的囊袋,因而有革囊胃之称(linitis plastica)(图10-16)。

弥漫浸润型胃<a href=癌"/>

图10-16 弥漫浸润型胃

胃壁因组织的弥漫浸润而显著增厚

进展期胃的肉眼分型常用的还有Borrmann(B)分型。其中B1型为隆起型,B2型为限局溃疡型,B3型为浸润溃疡型,B4型为弥漫浸润型。

镜下,根据的组织结构,一般将进展期胃分为4种组织学类型:

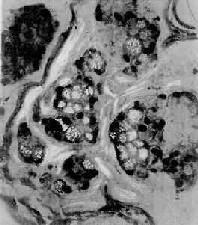
1.腺(adenocarcinoma)最多见,细胞大多呈柱状,排列成腺腔(腺管状腺,glandular form)(图10-17),腺腔内出现许多乳头(乳头状腺,papillary form)。有的细胞呈立方形或圆形,由数个细胞形成小腺泡(腺泡状腺,acinar form)。此型组织分化较高,恶性度较低,转移较晚。

胃腺<a href=癌"/>

图10-17 胃腺

组织呈腺样结构,弥漫浸润于胃壁内

2.髓样(medullary carcinoma)细胞无腺样排列,细胞大而多形,异型性显著,恶性度较高,常较早地向深层浸润。

3.硬(scirrhous carcinoma)细胞较小,圆形或短梭形,呈条索状排列,多无腺管样结构,间质为大量纤维组织(图10-18)。本型恶性度较高。

胃硬<a href=癌"/>

图10-18 胃硬

粘膜下层显著增生的纤维组织内有细胞浸润,细胞排成窄条索状

髓样和硬组织多无腺腔形成,呈实体结构,故又称为实体或单纯

4.粘液(mucoid carcinoma)呈腺样结构或单纯结构,细胞胞浆内出现大量偏酸性粘液,常将胞核挤压于细胞浆之一侧,形似戒指,故称之为印戒细胞(signet-ring cell)(图10-19)。粘液的恶性度高。此型因组织含大量粘液,肉眼上呈半透明的胶冻状故也称胶样(colloid carcinoma)。

粘液<a href=癌"/>

图10-19 粘液

细胞成团,胞浆内充满大量粘液,核被挤向一侧,呈印戒状

除上述分型外,也有根据胃细胞形态和胃组织中粘液性质将胃分为肠型和弥漫型两大类。肠型胃中唾液酸粘液及硫酸粘液多见,而弥漫型胃中中性粘液多见。肠型胃多见于老年患者,恶性度较低,组织学上多为乳头状腺或腺管状腺。弥漫型胃多见于青年人,恶性度较高,组织学上多为粘液及未分化

需要指出,许多胃的组织学结构不是单一类型,在同一胃标本中往往有两种组织类型同时存在。发生在贲门部的胃,可为兼有腺上皮及鳞状上皮的腺棘皮(adenoacanthoma)及鳞状细胞

【扩散途径】

1.直接扩散浸润到胃浆膜层的组织,可直接扩散至邻近器官和组织,如肝、胰腺及大网膜等。

2.淋巴道转移为胃转移的主要途径,首先转移到局部淋巴结,其中以胃小弯侧的胃冠状静脉旁淋巴结及幽门下淋巴结最为多见。由前者可进一步扩散到腹主动脉旁淋巴结、肝门处淋巴结而达肝内;由后者可到达胰头上方及肠系膜根部淋巴结。转移到胃大弯淋巴结的可进一步扩散到大网膜淋巴结。晚期,细胞可经胸导管转移到锁骨上淋巴结,且以左锁骨上淋巴结多见。

3.血道转移多在晚期,常经门静脉转移到肝,其次可转移至肺、骨及脑。

4.种植性转移胃特别是胃粘液细胞浸润至胃浆膜后,可脱落到腹腔,种植于腹壁及盆腔器官腹膜上。有时在卵巢形成转移性粘液,称Krukenberg

【胃的组织发生】

1.胃的细胞来源从早期微小胃的形态学研究推测,胃主要发生自胃腺颈部的干细胞。此处腺上皮的再生修复特别活跃,可向胃上皮及肠上皮分化,变常由此部位开始。

2.肠上皮化生与变在早期胃标本可观察到肠上皮化生(大肠型)过渡到肠型胃的理象。大肠型化生在胃旁粘膜上皮的检出率常可达88.2%。有人推测变机制可能由于这种肠上皮化生的细胞对致物质的吸收增强,并且发现肠上皮化生细胞及细胞的胞浆中均有高活性的氨基酞酶(amino-peptidase),而正常胃粘膜中,该酶不显活性。这种变异很可能构成变的基础。

3.不典型增生与变 胃时重度不典型增生(severe atypical hyperplasia)多出现在旁,有的并与变呈移行关系。目前认为重度不典型增生为具有变潜能的一种前病变。

【病因】

至今未明。人类胃的发生有一定的地理分布特点。如在日本、中国、冰岛、智利及芬兰等国家的发病率远较美国及西欧国家为高。这可能与各国家、民族的饮食习惯及各地区的土壤地质因素有关。据调查,胃的发生和大量摄取鱼、肉类熏制食品有关。用黄曲霉毒素污染或含亚硝酸盐的食物饲喂动物也可诱发胃。在日本曾有人提出胃的高发与居民食用的稻米经滑石粉处理有关。因滑石粉内含有致作用的石棉纤维。近年,由于日本饮食习惯的改变,其胃的发生率有下降趋势。

【其它肿

平滑肌胃肠是除子宫外的另一平滑肌多发部位。其中,以胃为最多,其次是小肠。此常可突入胃肠腔,也可呈巨大团块由浆膜向外突出,此时则不引起胃肠症状。肿组织由交织的束状平滑肌细胞构成,细胞两端有长突起,胞核钝圆,也偶见圆形或多角形细胞。如细胞是不典型或奇型的平滑肌细胞则称为平滑肌母细胞。在组织学上区分平滑肌及平滑肌母细胞较为困难。后者虽有细胞的不典型增生,但仍不能视为恶性。属于恶性的平滑肌肉除显示多数细胞核呈多型性并可有奇异形态的巨细胞外,较多的核分裂像也常是恶性的指征。平滑肌肉常由血行转移,也可直接浸润、扩散到腹膜表面。

恶性淋巴结外的恶性淋巴最常发生在胃,其次为肠。胃之原发性恶性淋巴在临床上甚难与胃区别。本术后5年存活率较胃为高。外观,常呈扁平盘状突起,边缘清楚。有时肉眼上与难以区别。

上一页:二、溃疡病
当前页:三、胃癌
下一页:四、阑尾炎

返回目录